首页
关于驰克/灵港
公司简介
资质荣誉
产品介绍
计量泵介绍
A2VK系列
A2F/K系列
A7VK系列
样册下载
联系我们
EN
计量泵介绍
A2VK系列
A2F/K系列
A7VK系列
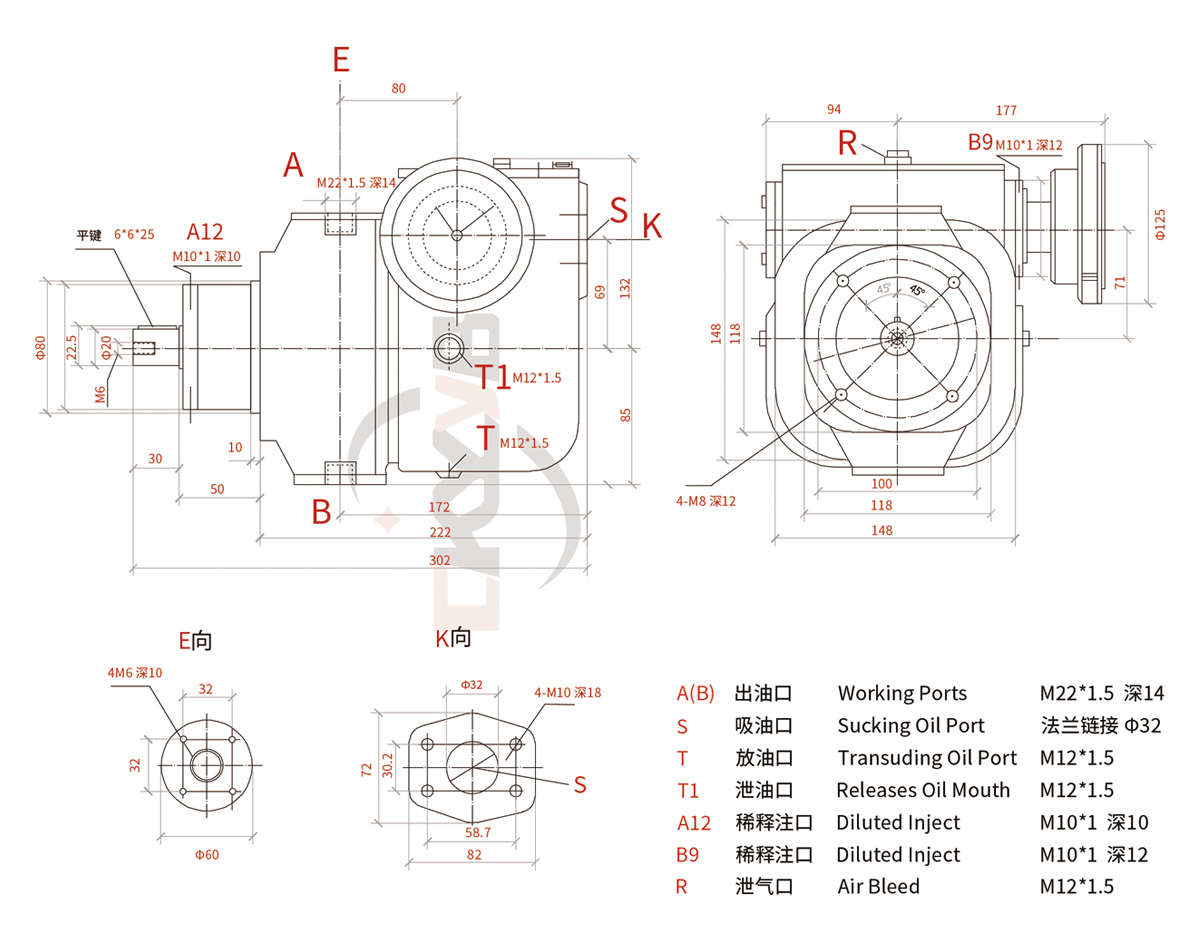
A2VK-5/12外形尺寸
上一篇:
A2VK-28外形尺寸
下一篇:
没有了